Try Free Latest OMG-OCSMP-MBI300 Exam Questions

Try Free Latest OMG-OCSMP-MBI300 Exam Questions

Want to pass OMG-OCSMP-MBI300 exam? The newest OMG-OCSMP-MBI300 Exam Questions from FreeTestShare are designed to test your knowledge of OMG-Certified Systems Modeling Professional – Model Builder – Intermediate exam. In this test, we have gathered practice exam questions related to each topic on the OMG-OCSMP-MBI300 certification exam syllabus. You will find that all of the questions are quite similar to those you would encounter on the actual test. You can easily learn everything to ensure that you pass the OMG-OCSMP-MBI300 exam.

To discover how prepared you are, take this sample exam first!

Page 1 of 3

1. Choose the correct answer.

Given the following diagram:





Which SysML, relationship should be used to relate c1 to Weight_Requirement for best semantics?

2. Choose the correct answer

Which statement is true when modeling generalization?

3. Choose the correct answer

What is a flow port that is typed by a flow specification said to be?

4. Choose the correct answer

What is a 'control operator’?

5. Choose the correct answer

Given the following bdd for a token ring network, in which a token flows from node n to node n+1 except that when it reaches the node at the maximum position n flows to the node at the minimum position.





Which ibd correctly models this behavior?

A)





B)





C)





D)



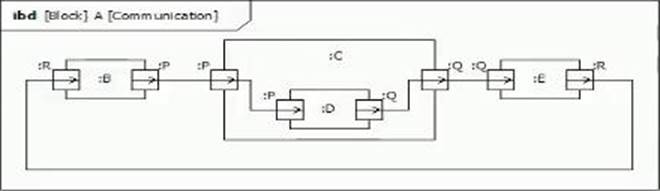
6. Choose the correct answer.

Given the following package diagram depicting profile and model library relationships to a user model.





The User Profile extends SysML with two new stereotypes of Block Hardware and Software.

Which bdd fragment is valid, yet does not contain unnecessary or redundant information?

A)





B)





C)





D)





E)



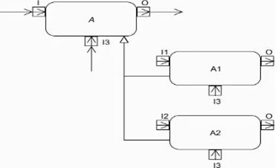
7. Choose the correct answer.

Given the following diagram:





Which diagram is correct?

A)





B)





C)





D)



8. Choose the correct answer.

Which stereotype depicts that an object node will replace existing tokens with newly arriving tokens when the specified upper limit is reached?

9. Choose the correct answer

In a state machine which behavior can be interrupted by a transition which leaves the current state?

10. Choose the correct answer

What is the key distinction between a profile and a meta model?


 

Share this post

Leave a Reply

Your email address will not be published. Required fields are marked *